

车载摄像机-产品特点:
l 云台具有多种安装方式
l 底部减震器,配合车载云架,安装于车顶使用
l 采用集成8位处理器,低功耗,稳定性好
l 采用0.9°精密电机驱动,低速平稳,运行平滑无抖动
l 选用工业级元器件,适合各种极恶天气
l 结构设计精巧,铝合金精铸外壳,抗冲击、防腐蚀
l 可存储256个预置位,数据断电记忆,上电后自动回到断电前的原始状态
l 可智能设置六条巡航轨迹、四条线扫命令、一条花样扫描功能
l 带归守位功能,可归位为轨迹、线扫、预置位
l 防护等级达IP66,支持三级防雷、防浪涌
红外夜视:采用进口阵列红外灯,使用寿命可达30000小时,夜视距离50~80米
网络高清:云台支持主流百万数字高清一体机芯及高清SENSOR实现高清图像画面采集,兼容主流高清 平台且无缝对接,最高支持1080P输出,支持双码流及高清抓拍,支持IE浏览
SDI高清:云台支持百万像素全高清机芯,HD-SDI数字接口输出,百万数字高清图像无损,实时传输,无延时,多种分辨率可调(1080p/60 1080p/30 1080p/25 720p/60 720p/30 720p/25)
同轴高清:云台支持通用AHD/CVI/TVI同轴高清机芯,另支持同轴高清硬盘录像机输出,图像不经过任何编码压缩,全实时高清晰画面同轴传输
产品应用:
适用于现场直播/移动执法/城市治安/视频会议/城管治安执法/特种巡逻/智能岗亭
2、规格参数:
型号 | EA-837P6A | |
机芯参数 | 成像器件 | 1/3" SONY CMOS 传感器(AHD) |
有效像素 | 1920(H) × 1080(V) | |
倍数 | 20倍光学变倍 | |
3D降噪 | 支持 | |
增益控制 | 自动/手动 | |
背光补偿 | 支持 | |
日夜模式 | 自动ICR滤光片彩转黑 | |
白平衡 | 自动、室内、室外、钠灯模式、手动 | |
信噪比 | 大于54dB | |
光学镜头 | 聚焦模式 | 自动 |
焦距 | 4.5mm -135mm | |
云台功能 | 水平角度 | 360°无限位 |
上下角度 | 朝上+90°,朝下-20° | |
预置位、巡航轨迹 | 256个预置位、6条巡视轨迹 | |
控制方式 | RS485,波特率从2400Bps到19200Bps可选 | |
旋转速度 | 水平手动转动速度从0°~ 220°/S,垂直手动控制速度0°~ 90°/S; | |
红外距离 | 3颗点阵式大功率红外灯,夜视距离50-100米 | |
工作温度和湿度 | 范围-35°C~+65°C 小于90% | |
电源供应 | DC10.5V~DC18V | |
防护等级 | IP67 | |
重量 | 2.5KG | |
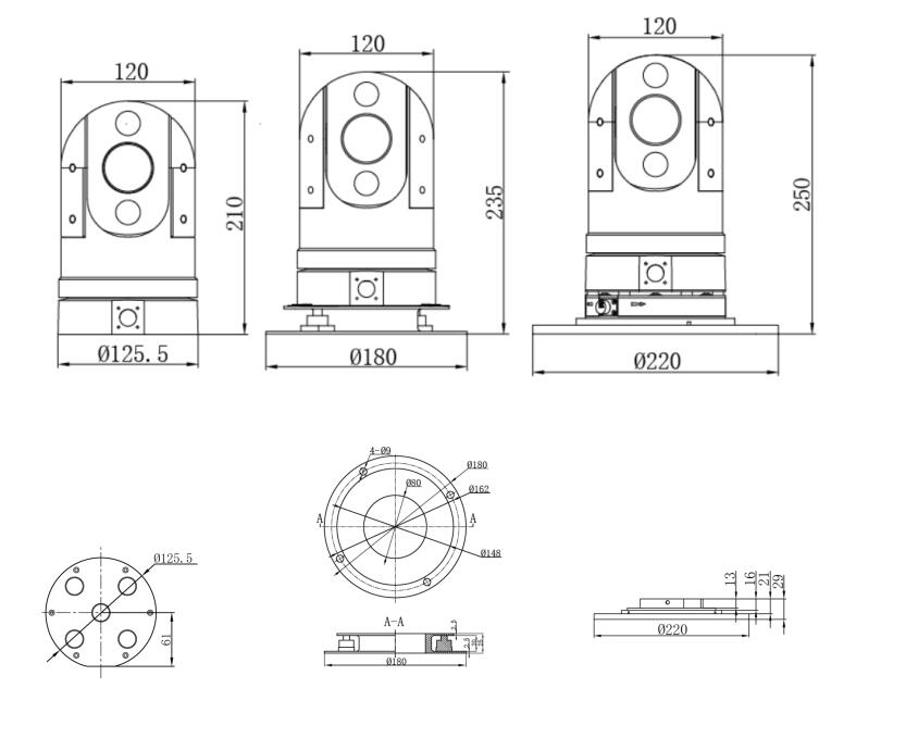
尺寸图:
单位:mm
