

车载摄像机1、功能特性:
-支持双路AHD同轴高清输出,图像清晰、细腻,分辨率1920x1080@25fps;
-后(内)6颗点阵式红外灯,红外距离2米,前(外)星光夜视;
-内置高保真拾音器,可实现音视频同步;
-采用 Smart HDR 算法,摄像机不会逆光过曝,而且暗处细节更加清晰
-支持数字降噪;自动曝光响应算法;自动白平衡算法;
-自适应数字降噪,2D-DNR和3D-DNR确保多种环境画面干净细腻
-主要针对网约车,货车环境,车内车外双路一体化录像的应用环境;
-工业防震设计,双路航空插头输出。
2、规格参数:
型号 | EA-831C22 | |||
摄像机参数 | 成像器件 | 1/3"CMOS AHD | 1/3"CMOS AHD | |
前后双视 | 前(外)视摄像头 | 后(内)摄像头 | ||
有效像素 | 1920(H) × 1080(V) | 1920(H) × 1080(V) | ||
信号制式 | PAL/NTSC | |||
最低照度 | 彩色0.001Lux | 彩色0.01Lux,黑白0Lux | ||
快门速度 | AUTO/ 1/50(1/60)-1/100,000sec | |||
日夜转换模式 | 星光全彩 | 日夜切换IR-CUT | ||
红外距离 | 无灯 | 2米 | ||
宽动态 | ≥80db | |||
背光补偿 | 支持 | |||
光学镜头 | 接口类型 | 镜头2.8mm | 镜头2.1mm | |
可视角度 | 水平≥100° | 水平≥120° | ||
其它 | 温度 | -20℃--+70℃ | ||
湿度 | 10% - 90% | |||
电源 | DC 12V ( 宽电压 9V-15V ) | |||
功率 | <5w | |||
重量 | 200G | |||
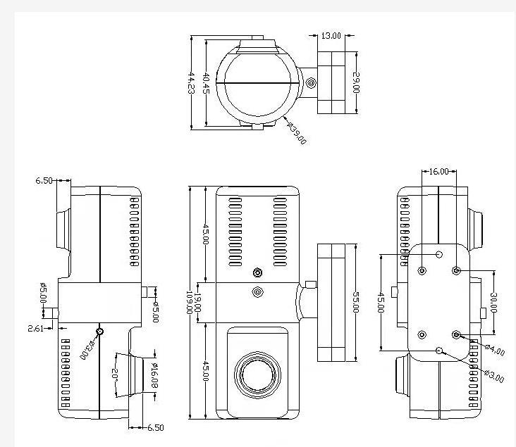
2、结构图:
单位:mm
