

车载终端1. 产品概述
1.1.产品简介
Q2是专为车载视频监控、远程视频监控开发的一款高性价比、功能可扩展性好的设备。它采用高速处理器HI3520D V400和嵌入式操作系统,结合 IT 领域中最先进的 H.264/H.265 视频压缩/解压缩技术、4G/3G 网络技术、GPS/BD 定位技术、WIFI 技术。可实现 1080P、720P、D1分辨率录像,汽车行驶信息记录和远程视频上传,配合中心软件可实现报警联动的中央远程视频监控、车辆智能调度管理及基于中心数据库的回放分析。产品具有尺寸小、外观简洁、安装灵活方便、功能全面、可靠性高等特点。
1.2.规格参数:
|
技术项 |
技术指标 |
|
|
产品型号 |
EA-H04Q2 |
|
|
功能概述 |
预览、录像、回放、网传、定位 |
|
|
系统 |
操作系统 |
Linux 3.18 |
|
控制模式 |
UI 、遥控器、手机APP、WEB |
|
|
视频 |
输入 |
4路AHD 1080P+1路IPC视频输入 |
|
输出 |
1路CVBS输出(VGA输出选配) |
|
|
OSD |
字符叠加,如日期,时间,通道ID、GPS、车牌号等 |
|
|
视频压缩格式 |
H.265压缩编码. 采用Hisilicon 3520D高性能处理器. |
|
|
预览功能 |
1、4画面拼接预览,支持事件触发全屏和拼接切换显示功能 |
|
|
帧率 |
1080P:60帧/秒,单路最大15帧/秒;720P: 120帧/秒,单路最大30帧/秒; |
|
|
分辨率 |
可支持1080P、720P、D1编码格式输入 |
|
|
画质 |
1到3级录像可配, 最优1级, 最低3级 |
|
|
码率 |
D1: 512,768,1024 三级级可选;720P:1024,2048,4096, 三级级可选;1080P: 2048,4096,6144,三级级可选 |
|
|
音频 |
音频输入/出 |
3路音频输入、1路音频输出,独立对讲手麦接口 |
|
压缩格式 |
支持G.726,G711编码 |
|
|
录像 |
录像方式 |
支持单SD卡录像,录满后并进行循环删除(删除的是时间最早的录像)。 |
|
录像搜索 |
可根据录像时间、录像类型、录像储存等条件搜索 |
|
|
录像模式 |
默认开机录像,支持手动录像、报警录像、定时录像等 |
|
|
录像回放 |
支持本机回放,最大支持4路同步回放,同时对文件中的车辆信息进行分析 |
|
|
支持快进、快退、播放、暂停控制,支持2, 4, 8, 16倍速度快进或快退,支持选时回放控制 |
||
|
网络 |
3G/4G/5G |
EVDO/TD-SCDMA/WCDMA/TDD-LTE/FDD-LTE 等 |
|
WIFI |
802.11b/g/n/ 2.4G/5.8G可选 |
|
|
Ethernet |
网络航空头 (100 M) |
|
|
定位 |
GPS/BD |
定位,速度检测,时间同步 |
|
存储 |
SD卡 |
支持1张SD卡,最大512GB容量 |
|
接口 |
USB |
1xUSB2.0,用于数据导出,升级使用 |
|
SD卡 |
1 x SD 卡槽 |
|
|
SIM卡 |
1 x SIM 卡槽,流量卡插槽 |
|
|
串口 |
支持1个RS232,可选配1个RS485,外接传感器 |
|
|
I/O口 |
4个开关输入,可兼容1个模拟输入 |
|
|
网口 |
选配 |
|
|
WIFI-ANT |
WIFI天线接口 |
|
|
4G-ANT |
4G天线接口 |
|
|
GPS-ANT |
GPS天线接口 |
|
|
电源输入 |
8~36V |
输入电压为+8V~+36V,电压长期低于8V,或长期高于36V,设备自动关机,进入保护模式 |
|
电源输出 |
CAME_12V * 6 |
4路摄像头电源输出,1路显示屏电源输出,1路网口电源输出,每路0.5A |
|
12V OUT |
输出电压12V(+/-0.2V),最大电流1A |
|
|
5V OUT |
输出电压5V(+/-0.2V),最大电流1A |
|
|
车钥匙(ACC)信号 |
≤6V |
车钥匙关闭 |
|
≥7.5V |
车钥匙打开 |
|
|
内置UPS |
2*2.7V,7F |
上电充电,3分钟充满。外部掉电可保持系统工作5S,完成数据保存关机 |
|
物理特性 |
尺寸(mm) |
120 (L)x 128(W) x 33(H) |
|
环境 |
工作温度 |
-20-70℃ |
|
工作湿度 |
8%-90%(无凝结) |
|
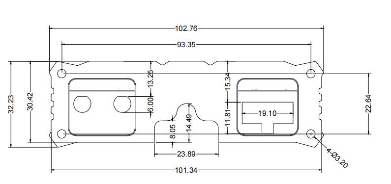
1.3.产品尺寸
单位:mm
面板接口
1.4面板接口
前面板
后面板
1.5尾线定义
1.5.遥控器
1.6.常见问题解答
问:为什么接电后设备仍然无法启动
原因 1:电源电压未达到 8-36V 或者功率未达到 50W 以上。
原因 2:硬盘锁未关闭。
原因 3:接电方式不正确,请参考 1.3 电源接线方式说明。
原因 4:主板或者电源硬件故障,请联系供货商。
问:为什么 3G/4G 拨号不成功
原因 1:设备未开启 3G/4G 拨号。如果是 3G VPN 专网需要设置 APN、拨号号码、用户名和密码。
原因 2:设备 3G 天线未连接好。
原因 3:SIM 卡停机或者未开通 3G /4G服务。
问:为什么连接移动网络已经成功,设备仍然无法连接平台
原因 1:服务器 IP、设备 ID 号等平台登录参数设置不正确。
原因 2:平台服务器运行状态不正常,请检查服务器的数据库服务以及其他组件是否运行正常
问:为什么无法获得卫星定位信息
原因 1:卫星定位信号必须在室外才能获得,请确认天线是否在室外。
原因 2:查看天线是否插入,是否插错位置。
原因 3: 查看信息界面的星值,并与厂家联系
问:为什么IPC 添加后仍显示无图像
原因 1:网络连接错误。请检查主机、IPC 是否连接并通讯正常,且 IP 地址是否在同一网段内。
原因 2:IPC 管理密码输入错误。检查 IPC 密码是否正确。
原因 3:IPC 与主机软件不兼容导致无法识别,请更换 IPC。
原因 4:请查看IPC编码设置是否为H.264